Sie können einzelne Kabel autonummerieren

Antworten
Siegfried Schneider
Site Admin
Beiträge: 245
Registriert: Fr Dez 17, 2021 20:52

Sie können einzelne Kabel autonummerieren

Beitrag von Siegfried Schneider »

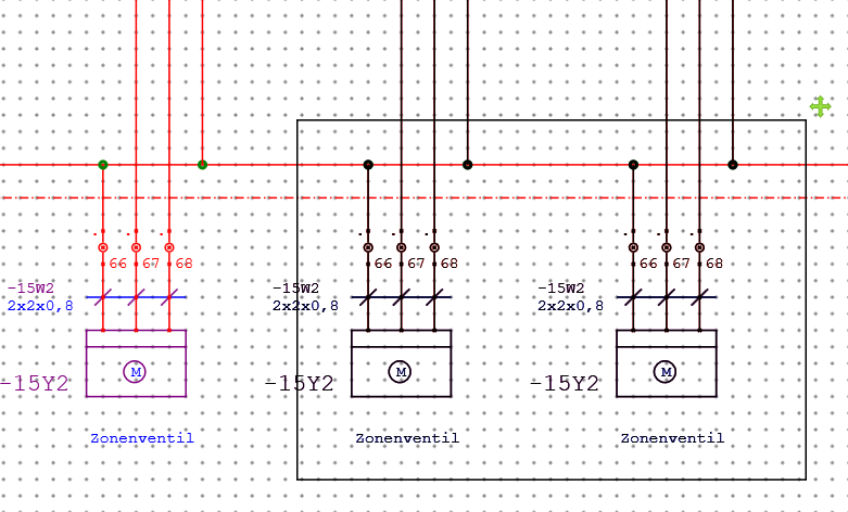
Wenn ein Kabel mehrfach kopiert wurde, kann es umständlich sein, diese neu zu nummerieren.
Hierzu die neu zu nummerierenden Kabel markieren.
kabelnummer1.png
kabelnummer1.png (85.1 KiB) 113 mal betrachtet
Danach diesen Befehl auf der Kommandoleiste eingeben:

Code: Alles auswählen

GroupCablePinsByLine FromSelection
Die markierten Kabel werden getrennt nach der Kabellinie neu nummeriert.
kabelnummer2.png
kabelnummer2.png (87.56 KiB) 113 mal betrachtet
Mit diesem Befehl werden alle Kabel der Seite neu nummeriert:

Code: Alles auswählen

GroupCablePinsByLine
Siegfried Schneider
XchangeCAD Entwicklung
support@segas.net
Antworten